Schnellkauf

Bitte geben Sie die Artikelnummer aus unserem Katalog ein.

Kundengruppe: Gast

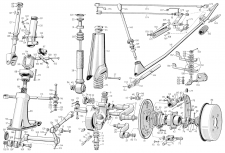
BMW Isetta Export Ersatzteile

BMW Isetta Export